全波整流回路で作る平均値交流電圧計
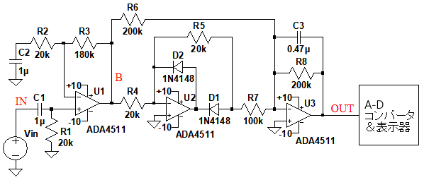
図1は,OPアンプ(ADA4511)(1)とダイオードで構成した全波整流回路を使用した,平均値交流電圧計の回路図です.IN端子に測定したい交流信号を入力し,OUT端子の電圧をA-Dコンバータでデジタル化して表示します.
この回路のIN端子に,ピーク電圧100mVで1kHzの正弦波を加えたとき,OUT端子の電圧は(a)~(d)のどれになるでしょうか.

IN端子にピーク電圧100mVで1kHzの正弦波を加えたとき,OUT端子の電圧は?
(a) 319mV (b) 354mV (c) 637mV (d) 707mV

図1のOPアンプ(U1)は,非反転増幅回路となっています.また,OPアンプ(U2,U3)は,ダイオード(D1,D2)と全波整流回路を構成しています.コンデンサ(C3)は,全波整流波の交流成分を平滑するためのものです.そのため,OUT端子には全波整流波の平均値が出力されます.
非反転増幅回路と全波整流回路のゲインを計算し,正弦波のピーク値と平均値の関係からOUT端子の電圧を求めて下さい.
図1のOPアンプ(U1)による,非反転増幅回路のゲインは,次式のように10倍となります.
(R2+R3)/R2=(20k+180k)/20k=10
そのため,図1のB点にはピーク電圧1Vの正弦波が出力されます.
全波整流回路のゲインは,次式のように1倍となります.
R8/R6=200k/200k=1
そのため,C3が無い場合は,OUT端子にはピーク電圧1Vの全波整流波が出力されます.C3が接続されていると,C3とR8でローパス・フィルタが構成され,OUT端子には平均値が出力されます.正弦波の平均値はピーク値に「2/π=0.637」を乗じたものなので,OUTの電圧は637mVになります.
●整流回路とは
整流回路は「交流(AC:Alternating Current )」を「直流(DC:Direct Current )」に変換するときに使用する回路のことです.交流は,時間と共にその大きさと極性が周期的に変化しますが,整流回路は極性が変化しない脈流(全波整流波や半波整流波など)に変換します.その脈流を平滑回路を使用して直流に変換します.整流回路には,交流信号の片側だけを取り出し,逆側をカットする「半波整流回路」と,片側の極性を反転させることで,交流信号の両側を取り出す「全波整流回路」があります.
●正弦波のピーク値と平均値の関係
交流信号を全波整流し,ローパス・フィルタで高い周波数成分を減衰させることで,平均値が得られます.正弦波のピーク値をVPとすると,正弦波半周期の平均値(Vavg)は,式1で計算することができます.
・・・・・・・・・・・・・・・・・(1)
つまり,正弦波の平均値はピーク値の63.7%になります.なお,交流信号の大きさは,一般的には実効値で表しますが,正弦波の実効値(Vrms)は式2で求められます.
・・・・・・・・・・・・・・・(2)
正弦波の平均値と実効値の比をkとすると,kは式3のように1.11となります.
・・・・・・・・・・・・・・・・・・・・・・・・・・・・・・・・・(3)
測定する交流信号を正弦波に限定すれば,平均値交流電圧計の値を1.11倍することで,簡易的に実効値表示とすることができます.
●ダイオードを使用した基本的な半波整流回路
図2は,ダイオードを使用した,最も基本的な半波整流回路です.

IN端子に入力された波形の正の部分のみを取り出す半波整流回路として動作する.
IN端子に正の電圧が加わるとダイオード(D1)が導通し,OUT端子に電圧が出力されます.IN端子に負の電圧が印加された場合は,D1が逆バイアスとなり,非導通となるため,OUT端子はGND電位となります.
そのため,図2はIN端子に入力された波形の正の部分のみを取り出す,半波整流回路として動作します.ただし,ダイオードが導通するためには0.5~0.6Vの電圧が必要なため,OUT端子の電圧はIN端子の電圧よりも0.5~0.6V低い電圧となってしまいます.IN端子にピーク電圧1V,1kHzの正弦波を入力するシミュレーションを行います.
図3が図2のシミュレーション結果です.OUT端子の波形は,IN端子の入力信号を半波整流したものになっていますが,ピーク電圧は入力信号のピーク電圧よりも0.5V程度小さくなっています.

OUT端子の半波整流波形のピーク電圧は,入力信号のピーク電圧よりも0.5V程度小さい.
●OPアンプとダイオードを使用した半波整流回路
図4は,OPアンプとダイオードを使用した半波整流回路です.OPアンプを使用することで,ダイオードの順方向電圧の影響を受けない半波整流回路を構成できます.

ダイオードの順方向電圧の影響を受けない半波整流回路を構成している.
IN端子の電圧が正のとき,この回路は反転増幅回路として動作します.そのゲイン(G)は式4で表されます.
・・・・・・・・・・・・・・・・・・・・・・・・・・・・・・(4)IN端子の電圧が負になると,OPアンプの出力は正の電圧を出力します.するとダイオード(D1)が逆バイアスとなるため,OUT端子の電圧は,抵抗(R2)によってGND電位に固定されます.R2が接続されているOPアンプの反転入力端子は,非反転入力端子と同じGND電位となっているためです.このとき,OPアンプの出力電圧は,GND電位からD2の順方向電圧だけ高い電圧に固定されます.
図5は,図4のシミュレーション結果です.OUT端子の波形は,IN端子の波形を反転した半波整流波形となっています.そしてその振幅のピーク値は,入力信号と同じ1Vとなっており,ダイオードの順方向電圧の影響はありません.

OUT端子の波形はIN端子の波形を反転した半波整流波形となっている.
●半波整流回路に加算回路を追加した全波整流回路
図6は,図4の半波整流回路に反転加算回路を追加した全波整流回路です.OPアンプU2が加算回路を構成しており,IN点の入力信号と,図6のA点の半波整流信号を加算・反転してOUT端子に出力します.

入力信号と半波整流信号の加算比率を1:2とするとOUT端子に全波整流波が出力される.
OUT端子の出力(VOUT)は,IN端子の入力信号をVINとし,図6のA点の半波整流信号をVAとすると,式5で表されます.
・・・・・・・・・・・・・・・・・・・・・・・・・(5)入力信号(VIN)と半波整流信号(VA)の加算比率を1:2とするとOUT端子には全波整流信号が出力されます.加算比率が1:2となるための条件を式4および式5から求めると,式6になります.
・・・・・・・・・・・・・・・・・・・・・・・・・・・・・・・・・・(6)つまり,式6が成立するようにR1~R4の値を設定すれば良いことになります.図6では「R1=R2,R3=2R4」という値に設定しています.なぜ,入力信号と半波整流信号の加算比率を1:2とすると全波整流波となるのかは,シミュレーション結果を使用して解説します.
図7は,図6のシミュレーション結果です.

OUT端子の信号は,正の全波整流波形となっている.
図7の上段は,図6のA点の半波整流信号を2倍した[2*V(a)]と,IN端子の入力信号[V(in)]です.図7の下段がOUT端子の信号で,正の全波整流波形となっています.
入力信号が負(青のハッチング領域)のとき,半波整流信号は0Vになります.そのため,両者を反転加算したOUT端子の信号は,入力信号を反転した,正の信号となります.
一方,入力信号が正(赤のハッチング領域)のとき,半波整流信号は負で2倍の振幅となっています.正の入力信号と,2倍の振幅の負の信号を加算して反転すると,入力信号と同じ振幅の正の信号になります.
このように,入力信号と2倍の半波整流信号を加算することで,入力信号が負のときも正のときも,OUT端子には正の信号が出力され,全波整流信号となります.
●全波整流回路にコンデンサを追加した平均値出力回路
図8は,図6の全波整流回路に,入力アンプ(U3)を追加し,反転加算回路の帰還抵抗にコンデンサ(C3)を接続した,平均値出力回路をシミュレーションするための回路で,図1と同じ回路です.

反転加算回路の帰還抵抗にコンデンサを接続して,平均値を出力する.
図8のOPアンプ(U1)は,非反転増幅回路を構成しており,そのゲイン(G)は式7のように10倍(20dB)となっています.
・・・・・・・・・・・・・・・・・・・・・・・(7)IN端子にピーク電圧100mVで1kHzの正弦波を入力すると,図8のA点にはピーク電圧1Vの正弦波が出力されます.
反転加算回路の帰還抵抗(R8)と並列に,平滑用コンデンサ(C3)を接続することで,OUT端子に全波整流信号の平均値が出力されます.
図8のR8とC3でローパス・フィルタを構成しており,C3が小さいと平均値出力のリップルが大きくなります.図1ではC3の値を0.47μFとして,式8のようにカットオフ周波数(fC)を1.7Hzに設定しています.
・・・・・・・・・・・・・・・・・・・(8)図8では,C3の値を「.step」コマンドで容量値として無視できる1fF(フェムトファラド)と通常の0.47μF(マイクロファラド)に変化させ,C3を接続していないとき(1fF)と,接続したとき(0.47μF)のシミュレーションを行います.
●全波整流回路と平均値出力回路の出力特性
図9が図8のシミュレーション結果です.上段が0~500msのシミュレーション全体の結果で,下段が最後の5msの部分を拡大した結果です.
上下段共に,青線(上段は青くハッチングされている)がC3を接続しないとき(C3=1fF)のシミュレーション結果で,赤線がC3を接続したとき(C3=0.47μF)のシミュレーション結果です.

C3が0.47μFのときの電圧は,理論値の637mVに近い,626mVとなっている.
図9の下段を見て分かるように,C3を接続していないとき(1fF)の,OUT端子の電圧は,ピーク電圧1Vの全波整流波形(青線)となっています.一方,上段を見るとC3を接続したとき(0.47μF)のOUT端子の電圧は,直流(赤線)となって徐々に上昇し,最終的に626mVとなっています.これは,式1を使用して計算した,理論値の637mVに近い値となっています.
また,全波整流波の交流成分(青線)をコンデンサ(C3)で平滑にすることで,直流(赤線)になることが分かります.
以上,全波整流回路を使用した平均値交流電圧計について解説しました.入力が正弦波の場合は,平均値出力を1.11倍すると実効値が得られますが,正弦波以外では正しい値になりません. どのような波形でも実効値が得られる回路については,今後紹介します.
◆参考・引用*文献
(1) ADA4511データシート:アナログ・デバイセズ
解説に使用しました,LTspiceの回路をダウンロードできます.
LTspice12_024.zip
●データ・ファイル内容
Diode_Rect.asc:図2の回路
Diode_Rect.plt:図3のグラフを描画するためのPlot settingsファイル
half-wave_rect.asc:図4の回路
half-wave_rect.plt:図5のグラフを描画するためのPlot settingsファイル
full-wave_rect.asc:図6の回路
full-wave_rect.plt:図7のグラフを描画するためのPlot settingsファイル
AC_DC.asc:図8の回路
AC_DC.plt:図9のグラフを描画するためのPlot settingsファイル
■LTspice関連リンク先
● LTspice ダウンロード先
● LTspice Users Club
● LTspice メール・マガジン全アーカイブs
◆ Season01 LTspice電子回路マラソン・アーカイブs
◆ Season02 LTspiceアナログ電子回路入門アーカイブs
◆ Season03 LTspice電源&アナログ回路入門アーカイブs
◆ Season04 IoT時代のLTspiceアナログ回路入門アーカイブs
◆ Season05 オームの法則から学ぶLTspiceアナログ回路入門アーカイブs
◆ Season06 LTspiceエデュケーショナル・ファイルで学ぶアナログ回路アーカイブs
◆ Season07 LTspiceドット・コマンドから学ぶアナログ回路アーカイブs
◆ Season08 LTspiceで始める実用電子回路入門アーカイブs
◆ Season09 LTspiceで学ぶオーディオ回路入門アーカイブs
◆ Season10 LTspiceとデータシートで学ぶ実践アナログ回路入門アーカイブs
◆ Season11 LTspiceとデータシートで学ぶ実践アナログ回路アーカイブs









