OPアンプとダイオードで作る電圧リミッタ回路
図1は,圧力を計測するシステムのブロック図です.まず「圧力センサ」から出力されたアナログ電圧を,増幅回路で増幅し,その出力電圧を次の「電圧リミッタ」で5Vに制限した後に「A-Dコンバータ」でデジタル信号に変換します.
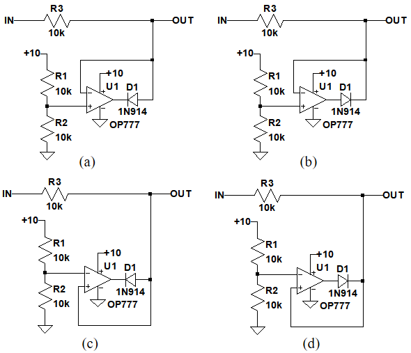
図2は,「電圧リミッタ」の内部回路図で,OPアンプ(OP777)(1)とダイオードで電圧リミッタ回路を構成しています.入力電圧を5Vに制限できる回路は(a)~(d)のどれでしょうか.

圧力センサで増幅された電圧を,電圧リミッタで5Vに制限した後に,A-Dコンバータに入力する.

図2 OPアンプとダイオードで構成した電圧リミッタ回路
入力電圧を5Vに制限できる回路はどれ?
(a)の回路 (b)の回路 (c)の回路 (d)の回路

OPアンプの非反転入力端子と反転入力端子の使い方と,ダイオードの向きに着目すれば,答えは簡単に分かります.
図2(c)と図2(d)の回路は,OPアンプの出力がダイオードを経由して,非反転入力端子に帰還されているため,正帰還となってしまい,正しく動作しません.
図2(b)の回路はOUT端子の電圧が5Vよりも低くならないように動作します.そのため,所望の動作ではありません.
図2(a)の回路は,OUT端子の電圧が5V以下のとき,OPアンプの出力が正電源側に飽和します.そのため,ダイオード(D1)が逆方向にバイアスされ,IN端子の電圧がそのままOUT端子に出力されます.
OUT端子の電圧が5V以上になろうとすると,OPアンプの出力が下がり,D1が順方向となってOUT端子の電圧が5Vになるように制御されます.そのため,5Vの電圧リミッタとして動作するのは(a)の回路になります.
●電圧リミッタ回路の用途
電圧リミッタ回路は,信号の振幅が特定の電圧レベルを超えないように制限する回路です.過電圧から回路を保護したり,波形を整形するために使用されます.さまざまな回路形式があります.ここでは,ダイオードやツェナー・ダイオード,トランジスタ,OPアンプとダイオードを使用した代表的な4種類の電圧リミッタ回路を紹介します.
●ダイオードを使用した電圧リミッタ回路
図3は,ダイオードを使用した電圧リミッタ回路をシミュレーションする回路図です.ダイオードが導通する電圧が0.5~0.6Vであることを利用して,OUT端子の電圧を0.5~0.6Vに制限します.そのため,制限する電圧は-2mV/℃程度の温度特性を持っています.この回路は,OPアンプの内部保護回路やギター用エフェクタでひずんだ音色を作る場合に使用されます.「.DC」コマンドでVINの電圧を0~8Vまで変化させるシミュレーションを行います.

「.DC」コマンドでVINの電圧を0~8Vまで変化させる.
図4は,図3のダイオードを使用した電圧リミッタ回路のシミュレーション結果です.

VINが0.4V程度から電圧が制限され始め,VINが8Vのとき,0.67V程度となっている.
OUT端子の電圧は,VINが0.4V程度から電圧が制限され始め,VINが8Vのとき,0.67V程度となっています.ダイオード電圧リミッタは,あまり急峻に電圧を制限することはできません.
図5は,図3のダイオード電圧リミッタ回路を,OPアンプ内部の入力段の保護回路として使用した事例です.

OPアンプの「+IN」端子と「-IN」端子間に過大電圧が印加されたときに,入力素子が破壊するのを防止します.しかし,OPアンプをコンパレータ(電圧の大小を比較する回路)的に使用した場合,この保護回路が動作して,入力電流が増加することがあるので注意が必要です.
●ツェナー・ダイオードを使用した電圧リミッタ回路
図6は,ツェナー・ダイオードを使用した電圧リミッタ回路をシミュレーションする回路です.

「.DC」コマンドでVINの電圧を0~8Vまで変化させる.
ツェナー・ダイオードは,ダイオードに逆方向の電圧を印加したときに,特定の電圧(ツェナー電圧)でブレークダウンして,急激に電流が流れ出す現象を利用した素子です.図6の回路では,ツェナー電圧5.1Vの「UMZ5.1N」という素子を使用しています.ツェナー電圧が5V~6V付近のツェナー・ダイオードは,温度によるツェナー電圧の変化が少ないという特長があります.ツェナー・ダイオードを使用した電圧リミッタ回路は,基準電圧源や,サージ電圧から電子機器を保護するために使用されます.
図7は,図6のシミュレーション結果です.OUT端子の電圧は,VINが4.5V程度から電圧が制限され始め,VINが8Vのとき,5.0V程度となっています.

VINが4.5V程度から電圧が制限され始め,VINが8Vのとき,5.0V程度となっている.
●トランジスタを使用した電圧リミッタ回路
図8は,PNPトランジスタを使用した電圧リミッタ回路をシミュレーションする回路です.

「.DC」コマンドでVINの電圧を0~8Vまで変化させる.
PNPトランジスタ(Q1)は,エミッタ・フォロアとして動作し,OUT端子の電圧を,「ベース電圧+0.6V」程度に制限します.そして,制限する電圧は,R2とR3の抵抗比で,任意に設定することができます.ただし,制限電圧は-2mV/℃程度の温度特性を持っています.
図9は,図8のシミュレーション結果です.OUT端子の電圧は,VINが5V程度から電圧が制限され始め,VINが8Vのとき,5.1V程度となっています.

VINが5V程度から電圧が制限され始め,VINが8Vのとき,5.1V程度となっている.
●OPアンプとダイオードを使用した電圧リミッタ回路
図10は,OPアンプとダイオードを使用した電圧リミッタ回路をシミュレーションする回路図です.

「.DC」コマンドでVINの電圧を0~8Vまで変化させる.
図10は,図2(a)と同じ回路です.図5で解説したようにOPアンプ内部の保護回路が動作して,入力電流の増加がないように,入力間の保護回路が内蔵されていない,OP777を使用しています.
OPアンプ(U1)の非反転入力端子は,10Vの電源電圧を抵抗分圧して作った5Vの基準電圧(VRef)に接続されています.反転入力端子はOUT端子に接続されており,OUT端子の電圧がVRef以下のときは,U1の出力は+電源に飽和しています.このとき,ダイオード(D1)は,逆バイアスとなっているため,IN端子の電圧がそのままOUT端子に出力されます.
次に,OUT端子の電圧がVRef以上になるとU1の出力がGND側にスイングし,D1が順方向にバイアスされます.そして,OUT端子の電圧がVRefと等しくなるよう,U1の出力がコントロールされます.このようにして,OUT端子の電圧はVRefと同じ電圧に制限されます.
図11は,図10のシミュレーション結果です.OUT端子の電圧は,VINが5Vから電圧が制限され,VINが8Vのときも5Vとなっています.

VINが5Vから電圧が制限され,VINが8Vのときも5Vとなっている.
この電圧リミッタ回路は,急峻に精度よく電圧を制限できることが分かります.OPアンプ出力のO点の電圧は,VINが5Vになるまでは10Vとなっており,VINが5Vを越えると,4.5V程度となって,OUT端子の電圧を5Vに制御していることが分かります.
以上,電圧リミッタ回路について解説しました.今回は正の電圧で制限する回路を4種類紹介しましたが,いずれの回路も少し変形すれば,負の電圧で制限する用途に使用できます.
◆参考・引用*文献
(1) OP777データシート:アナログ・デバイセズ
解説に使用しました,LTspiceの回路をダウンロードできます.
LTspice12_022.zip
●データ・ファイル内容
Diode_Limiter.asc:図3の回路
Zener_Limiter.asc:図6の回路
PNP_Limiter.asc:図8の回路
OP_D_Limiter.asc:図10の回路
OP_D_Limiter.plt:図11のグラフを描画するためのPlot settingsファイル
■LTspice関連リンク先
● LTspice ダウンロード先
● LTspice Users Club
● LTspice メール・マガジン全アーカイブs
◆ Season01 LTspice電子回路マラソン・アーカイブs
◆ Season02 LTspiceアナログ電子回路入門アーカイブs
◆ Season03 LTspice電源&アナログ回路入門アーカイブs
◆ Season04 IoT時代のLTspiceアナログ回路入門アーカイブs
◆ Season05 オームの法則から学ぶLTspiceアナログ回路入門アーカイブs
◆ Season06 LTspiceエデュケーショナル・ファイルで学ぶアナログ回路アーカイブs
◆ Season07 LTspiceドット・コマンドから学ぶアナログ回路アーカイブs
◆ Season08 LTspiceで始める実用電子回路入門アーカイブs
◆ Season09 LTspiceで学ぶオーディオ回路入門アーカイブs
◆ Season10 LTspiceとデータシートで学ぶ実践アナログ回路入門アーカイブs
◆ Season11 LTspiceとデータシートで学ぶ実践アナログ回路アーカイブs









