電流電圧変換回路で作るバッテリ電流モニタ
図1は,OPアンプ(LT6015)(1)とMOSFETで構成した電流電圧変換回路を使用したバッテリ電流モニタです.12Vのバッテリに負荷が接続されています.負荷に流れる電流が5Aだった場合,OUT端子の電圧は(a)~(d)のどれになるでしょうか.なお,LT6015の同相入力電圧範囲は「0V~+76V」となっており,電源電圧よりも高い電圧を入力することができます.

負荷電流が5AのときのOUT端子の電圧は?
(a) 0.25V (b) 0.5V (c) 0.75V (d) 1.0V

OPアンプが正常に動作しているとき,非反転入力端子と反転入力端子の電圧が等しいことを踏まえて,MOSFETの電流をもとめ,OUT端子の電圧を計算してください.
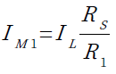
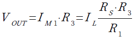
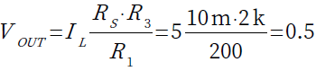
OPアンプ(U1)は,非反転入力端子と反転入力端子の電圧が等しくなるように,M1の電流をコントロールします.その結果,M1の電流(IM1)は「IM1=IL×RS/R1」となります.OUT端子の電圧(VOUT)はIM1とR3を掛けたもので,次式となり,0.5Vとなります.
VOUT=IL×RS×R3/R1=5×10m×2k/200=0.5V
●OPアンプとMOSFETで構成した電流電圧変換回路
図2は,OPアンプとMOSFETで構成した電流電圧変換回路です.OUT端子には,抵抗(RS)に流れる電流に比例した,GND基準の電圧が出力されます.

OUT端子には,抵抗(RS)に流れる電流に比例した,GND基準の電圧が出力される.
この回路で,負荷電流(IL)とOUT端子の電圧の関係を調べます.抵抗(RS)は電流検出抵抗で,ILを電圧に変換します.RSの両端電圧(VRS)は式1で表されます.
・・・・・・・・・・・・・・・・・・・・・・・・・・・・・・・(1)OPアンプの入力バイアス電流をIinとすると,B点の電圧(VB)は電源(VBAT)からRSとR2の電圧降下を引いたものなので,式2で表されます.
・・・・・・・・・(2)抵抗(R1)にはM1のドレイン電流(IM1)が流れます.R1の電圧降下(VR1)は式3になります.
・・・・・・・・・・・・・・・・・・・・・・・・・・(3)そしてA点の電圧は,VBATからR1の電圧降下を引いたものなので,式4になります.
・・・・・・・・・・・・・・(4)OPアンプ(U1)は,A点の電圧とB点の電圧が等しくなるように,M1の電流を制御します.そのため,式5が成立します.
・・・・・(5)ここで「R1=R2」とし,式5からIM1を求めると,式6が得られます.
・・・・・・・・・・・・・・・・・・・・・・・・・・・・・・・(6)OUT端子の電圧(VOUT)はIM1とR3を掛けたものなので,式7になります.
・・・・・・・・・・・・・・・・・・・・・・(7)式7から分かるように,VOUTはILに比例した電圧になります.式7に問題文の定数を代入すると,式8のようにILが5Aのとき,VOUTは0.5Vになることが分かります.
・・・・・・・・・・・・・・・・・(8)
●電流電圧変換回路を検証する
図3は,OPアンプとMOSFETで構成した電流電圧変換回路をシミュレーションするための回路です.使用しているOPアンプは,電源電圧よりも高い電圧が入力されても動作可能な「Over-The-Top入力段」を備えた,LT6015です.VBATの電圧は12Vで,OPアンプの電源電圧は5Vとなっています.電流源(IL)の電流を0から10Aまで0.1Aステップで変化させるシミュレーションを行います.

電流源(IL)の電流を0から10Aまで0.1Aステップで変化させる.
図4は,図3のシミュレーション結果です.OUT端子の電圧はILに比例して増加し,ILが5Aのときに0.5Vとなっています.図3の回路は,RSに流れる電流を,GND基準の電圧に,正確に変換できていることが分かります.

OUT端子の電圧はILに比例して増加し,ILが5Aのときに0.5Vとなっている.
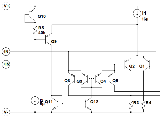
●Over-The-Top入力段の仕組み
図5は,LT6015の仕様書に記載されている内部回路図をもとに作成した,簡略化したLT6015の入力部分の回路図です.LT6015は,電源電圧よりも高い電圧が入力可能なOver-The-Top入力段を備えています.

電源電圧よりも高い電圧が入力可能なOver-The-Top入力段を備えている.
ここでは,図5の回路図を使用して,Over-The-Top入力段の仕組みを調べてみます.
入力同相電圧が,OPアンプの「[V+]電圧-1.5V」以下のときは,電流源(I1)の電流は,PNPトランジスタ差動回路のQ1,Q2に流れ,この差動回路が動作します.このときは,Q1,Q2のベース電流がOPアンプの入力バイアス電流となり,2nA未満となります.
入力同相電圧が,OPアンプの「[V+]電圧-1.5V」以上になると,電流源(I1)の電流は,Q9を経由し,Q11,Q12のカレントミラー回路に流れます.すると,Q3~Q6のエミッタ入力差動回路がアクティブになり,Q1,Q2に替わって動作します.Q3~Q6のエミッタ入力差動回路は,入力同相電圧がOPアンプの電源電圧よりも高くても動作することが可能です.
ただし,入力同相電圧が,OPアンプの「[V+]電圧-1.5V」以上の場合は,Q3~Q6のエミッタ電流が入力バイアス電流となるため,14μAと非常に大きくなってしまうことに注意が必要です.
以上,OPアンプとMOSFETで構成した電流電圧変換回路について解説しました.図1の回路のOPアンプに,Over-The-Top入力段を備えていないものを使用する場合は,OPアンプの電源を,バッテリ電圧以上とする必要があります.
◆参考・引用*文献
(1) LT6015データシート:アナログ・デバイセズ
解説に使用しました,LTspiceの回路をダウンロードできます.
LTspice12_021.zip
●データ・ファイル内容
Current_Sensing.asc:図3の回路
Current_Sensing.plt:図4のグラフを描画するためのPlot settingsファイル
■LTspice関連リンク先
● LTspice ダウンロード先
● LTspice Users Club
● LTspice メール・マガジン全アーカイブs
◆ Season01 LTspice電子回路マラソン・アーカイブs
◆ Season02 LTspiceアナログ電子回路入門アーカイブs
◆ Season03 LTspice電源&アナログ回路入門アーカイブs
◆ Season04 IoT時代のLTspiceアナログ回路入門アーカイブs
◆ Season05 オームの法則から学ぶLTspiceアナログ回路入門アーカイブs
◆ Season06 LTspiceエデュケーショナル・ファイルで学ぶアナログ回路アーカイブs
◆ Season07 LTspiceドット・コマンドから学ぶアナログ回路アーカイブs
◆ Season08 LTspiceで始める実用電子回路入門アーカイブs
◆ Season09 LTspiceで学ぶオーディオ回路入門アーカイブs
◆ Season10 LTspiceとデータシートで学ぶ実践アナログ回路入門アーカイブs
◆ Season11 LTspiceとデータシートで学ぶ実践アナログ回路アーカイブs









