差動変換回路で作るオーディオ用バランス型ドライバ
図1は,2つのOPアンプ(ADA8512)(1)で構成した,差動変換回路を使用した,オーディオ用バランス型ドライバ回路です.
IN端子に入力された単一信号(アンバランス信号)を,正相と逆相のバランス信号に変換して,XLRコネクタ(2)のHot端子とCold端子に出力します.
この回路のIN端子にピーク電圧0.5V,1kHzの正弦波を入力したとき,Hot端子とCold端子の差電圧波形のピーク電圧は(a)~(d)のどれになるでしょうか.

IN端子にピーク電圧0.5V,1kHzの正弦波を入力したとき,Hot端子とCold端子の差電圧は?
(a) 0.25V (b) 0.5V (c) 1V (d) 2V

2つのOPアンプは,反転増幅回路と非反転増幅回路として動作します.OPアンプが正常に動作しているとき,非反転入力端子と反転入力端子の電圧が等しいことを考慮して,それぞれの増幅回路のゲインを計算すれば,出力電圧は簡単に計算できます.
OPアンプの非反転入力端子と反転入力端子の電圧は等しくなります.このことから,図1のA点の電圧はIN端子と同じです.同様にB点の電圧はGNDと同じ電圧になります.
B点はGNDとみなせるため,OPアンプ(U2)は非反転増幅回路として動作し,そのゲインは「(R1+R2)/R2=2倍」となります.また,A点の電圧はIN端子と同じため,OPアンプ(U1)は反転増幅回路として動作し,そのゲインは「R3/R2=2倍」となります.
入力のピーク電圧が0.5Vなので,Hot端子とCold端子のピーク電圧は,それぞれ,2倍の1Vになります.Hot端子とCold端子は互いに逆位相なので,その差電圧のピーク電圧は2Vとなります.
●単一信号を差動信号に変換する
オーディオ信号をバランス伝送するためには,単一信号(アンバランス信号)を正相と逆相の差動信号(バランス信号)に変換する必要があります.
単一信号を差動信号に変換する回路はいろいろな方式があります.ここでは,シンプルな非反転増幅回路と反転増幅回路を使用した2つの方式を紹介します.
●非反転増幅回路と反転増幅回路を使用した差動変換回路
図2は,非反転増幅回路と反転増幅回路を使用した差動変換回路です.OPアンプ(U1)は,反転増幅回路として動作します.OPアンプ(U2)は,非反転増幅回路として動作します.

Hot端子とCold端子には互いに逆位相な信号が出力される.
そのため,Hot端子とCold端子には互いに逆位相な信号が出力されます.IN端子からCold端子までのゲイン(GC)は式1で表されます.
・・・・・・・・・・・・・・・・・・・・・・・・・・・・・・・・・・(1)IN端子からHot端子までのゲイン(GH)は式2で表されます.
・・・・・・・・・・・・・・・・・・・・・・・・・・・・・・・・(2)図2の定数の場合は,GC,GHともに2倍になります.また,この回路の入力インピーダンスはR4と同じ値になります.
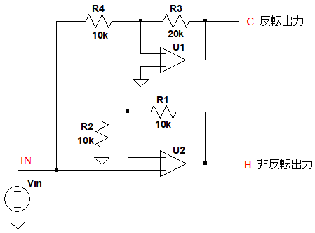
●入力インピーダンスの大きい差動変換回路
図2の回路は,R4で入力インピーダンスが決まるため,入力インピーダンスをあまり大きくすることができません.図3は,入力インピーダンスが大きくなるように,図2の回路を改良したもので,図1の回路と同じものです.

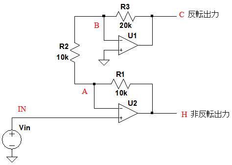
OPアンプ(U2)は非反転増幅回路として動作し,OPアンプ(U1)は反転増幅回路として動作する.
非反転増幅回路をバッファとして使用し,図2のR4を削除し,R2がR4の役割も兼ねた回路となっています.IN端子には,OPアンプ(U2)の非反転入力端子のみが接続されています.そのため,この回路の入力インピーダンスは,OPアンプの入力インピーダンスと同じで,非常に大きな値となります.
図3は,OPアンプが正常に動作しているとき,非反転入力端子と反転入力端子の電圧は,ほぼ等しくなるという特性を利用しています.図3の回路において,A点の電圧は,IN端子の電圧と等しくなります.また,B点の電圧はGNDと等しいとみなすことができます.B点をGNDとみなすと,R2はU2の反転入力端子とGNDに接続されていることになります.そのため,OPアンプ(U2)は非反転増幅回路として動作し,IN端子からHot端子までのゲイン(GH)は,式3で表されます.
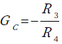
・・・・・・・・・・・・・・・・・・・・・・・・・・・・・・・・(3)また,A点の電圧がIN端子の電圧と等しいことから,OPアンプ(U1)は反転増幅回路として動作します.そして,IN端子からCold端子までのゲイン(GC)は式4で表されます.
・・・・・・・・・・・・・・・・・・・・・・・・・・・・・・・・・(4)
●差動変換回路の出力電圧を計算する
ここでは,図3のIN端子にピーク電圧0.5V,1kHzの正弦波を入力したときの,Hot端子とCold端子の差電圧を計算してみます.IN端子の電圧をVINとすると,Hot端子の電圧VHは式3を使用して式5のように計算できます.
・・・・・・・・・・・・・・・・・・・・・・・・・・・・・・・・(5)
Cold端子の電圧(VC)は式4を使用して式6のように計算できます.
・・・・・・・・・・・・・・・・・・・・・・・・・・・・・・・・・(6)
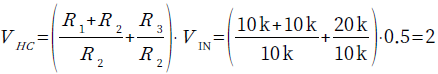
Hot端子とCold端子の差電圧(VHC)は,式5,式6を使用して式7のように計算できます.
・・・・・・・・・・・・(7)
式7に図3の定数とピーク電圧値を代入すると,式8のように,Hot端子とCold端子の差電圧(VHC)は2Vと計算できます.
・・・・・・・・・・・・・(8)
●2つのOPアンプで構成した差動変換回路を検証する
図4は,図1の2つのOPアンプで構成した差動変換回路をシミュレーションするための回路です.IN端子に,ピーク電圧0.5V,1kHzの正弦波を入力し,Hot端子とCold端子の出力波形を調べます.

IN端子に,ピーク電圧0.5V,1kHzの正弦波を入力し,Hot端子とCold端子の出力波形を調べる.
図5は,図4のシミュレーション結果です.

Hot端子とCold端子の差電圧の波形のピーク電圧は2Vとなっている.
上段がHot端子とCold端子の出力波形です.ピーク電圧1Vで互いに逆位相になっていることがわかります.
下段がHot端子とCold端子の差電圧の波形です.ピーク電圧は2Vとなっています.
以上,オーディオ用バランス型ドライバとして使用できる,差動変換回路について解説しました.この差動変換回路をオーディオ用パワー・アンプに応用すると,低い電源電圧でも大きな出力が得られる,BTLパワーアンプ(3)が構成できます.
◆参考・引用*文献
(1) ADA8512データシート:アナログデバイセズ
(2) 差動増幅回路で作るオーディオ用バランス型レシーバ――LTspiceで学ぶカテゴリ/応用分野別OPアンプ回路46選:CQ出版社
(3) 大きな音が出るパワー・アンプ回路はどっち?――LTspice電子回路マラソン:CQ出版社
解説に使用しました,LTspiceの回路をダウンロードできます.
LTspice12_015.zip
●データ・ファイル内容
U2B_amp.asc:図3の回路
U2B_amp.plt:図4のグラフを描画するためのPlot settingsファイル
■LTspice関連リンク先
● LTspice ダウンロード先
● LTspice Users Club
● LTspice メール・マガジン全アーカイブs
◆ Season01 LTspice電子回路マラソン・アーカイブs
◆ Season02 LTspiceアナログ電子回路入門アーカイブs
◆ Season03 LTspice電源&アナログ回路入門アーカイブs
◆ Season04 IoT時代のLTspiceアナログ回路入門アーカイブs
◆ Season05 オームの法則から学ぶLTspiceアナログ回路入門アーカイブs
◆ Season06 LTspiceエデュケーショナル・ファイルで学ぶアナログ回路アーカイブs
◆ Season07 LTspiceドット・コマンドから学ぶアナログ回路アーカイブs
◆ Season08 LTspiceで始める実用電子回路入門アーカイブs
◆ Season09 LTspiceで学ぶオーディオ回路入門アーカイブs
◆ Season10 LTspiceとデータシートで学ぶ実践アナログ回路入門アーカイブs
◆ Season11 LTspiceとデータシートで学ぶ実践アナログ回路アーカイブs









