差動増幅回路とホール素子で作る電流検出回路
図1は,ホール素子とOPアンプ(ADA4077)(1)を使用した差動増幅回路で構成した電流検出回路です.図2は,ホール素子を使用した電流センサの模式図で,磁気コアの中心に,電流を計測したいケーブルが通っています.そして,磁気コアに設けられたギャップ(隙間)に,図1のホール素子が配置されています.また,ケーブルに流れる電流(IL)とホール素子に加わる磁束密度(B)の関係は「B=IL*0.77m[T]」で表され,使用しているホール素子は,表1の特性となっています.
この電流検出回路において,計測したいケーブルに,10Aの電流が流れたとき,Out端子に発生する電圧は(a)~(d)のどれでしょうか.

計測したいケーブルに10Aの電流が流れたとき,Out端子に発生する電圧は何V?

磁気コアの中心に,電流を計測したいケーブルが通っている.
| 項目 | 測定条件 | 値 | 単位 |
| ホール出力電圧 | B=50mT,Vc=6V | 65 | mV |
| 入力抵抗 | B=0mT,Ic=0.1mA | 750 | Ω |
| 出力抵抗 | B=0mT,Ic=0.1mA | 750 | Ω |
| 不平衡電圧 | B=50mT,Vc=6V | 0 | mV |
(a) 0.5V (b) 1V (c) 1.6V (d) 3.2V

ケーブルに流れる電流値から,ホール素子に加わる磁束密度を求め,ホール素子の感度から,ホール素子の出力電圧を求めます.次に,ホール素子の出力電圧を差動増幅回路のゲイン倍すれば,Out端子の出力電圧が求まります.
ILが10Aのときに,ホール素子に加わる磁束密度は,「B=IL*0.77m[T]」から「10*0.77m=7.7mT」と求まります.
また,表1から,ホール素子の感度は「65mV/50mT=1.3V/T」と求まります.そのため,ホール素子の出力電圧は「7.7m*1.3=10mV」となります.
次に差動増幅回路のゲインは「100k/(750/2+625)=100」と計算できます.そのため,Out端子の出力電圧は「10mV*100=1V」となります.
●磁界を利用して非接触で電流を検出する
導線に電流が流れると,図3のように導線の周囲を取り囲むような磁界が発生します.磁界の強さは,電流の大きさに比例するため,磁界の強さを測定することで,導線を切断することなく,非接触で電流の大きさを測定することができます.
図2の電流センサは,この原理を利用したものです.磁気コアを使用することで,ケーブルの電流によって発生する磁界を集中させ,ホール素子に効率よく導いています.

導線に電流が流れると,導線の周囲を取り囲むような磁界が発生する.
●ホール素子の構造と等価回路
ホール素子は,図4のように薄い半導体素子の4辺に電極をつけたものです(3).1番端子がプラス(+)で3番端子がマイナス(-)となるよう電圧を加えると,電流は左から右に向かって流れます.この状態で,黄色矢印の方向の磁界が加わると,フレミング左手の法則により,流れている電流は奥側に力を受けます.すると,電流の方向が変わり,4番端子と2番端子の間に電位差が発生します.
この電位差を利用しているのがホール素子です.発生する電圧は流れている電流の大きさおよび磁界の強さに比例し,電圧の極性は磁界の向きで決まります.

薄い半導体素子の4辺に電極をつけたもの.
図4のホール素子は,図5のように,抵抗を4本使用した等価回路で表すことができます.基本的に4本の抵抗の抵抗値はすべて同じですが,製造上,それぞれの抵抗値に多少の違いが発生します.RH1とRH2もしくはRH3とRH4の抵抗値が異なると,磁界が加わっていないときでも,出力電圧が発生しオフセット電圧となります.

RH1とRH2もしくはRH3とRH4の抵抗値が異なるとオフセット電圧が発生する.
●ホール素子の仕様と特性
ホール素子は,表1のような仕様で特性を表します.仕様にはホール素子の感度(磁束密度に対する出力電圧)や入力抵抗,出力抵抗が表記されています.表1のホール素子は,6Vで駆動したとき,磁束密度50mT(ミリ・テスラ)のときに,65mVの出力が得られることが分かります.また,仕様書には入力抵抗と出力抵抗の記載があり表1では750Ωとなっています.この値から,図5のRH1~RH4の値が750Ωと分かります.
RH1~RH4の各抵抗値を「R」とすると,入力抵抗は,図5の1番端子と3番端子間の抵抗値で「RH1+RH2」と「RH3+RH4」の並列となるため「2R/2=R」となります.同様に,出力抵抗は,2番端子と4番端子間の抵抗値となり,「RH1+RH3」と「RH2+RH4」の並列となるため「2R/2=R」となります.RH1~RH4の各抵抗値を「R」とすると,入力抵抗と出力抵抗の値も「R」となります.そのため,表1のホール素子のRH1~RH4の各抵抗値は750Ωとなります.
●ホール素子の出力を増幅する差動増幅回路
ホール素子の出力電圧は,小さいため,その出力を増幅する必要があります.ホール素子の出力は,差動信号となっているため,差動増幅回路で増幅します.
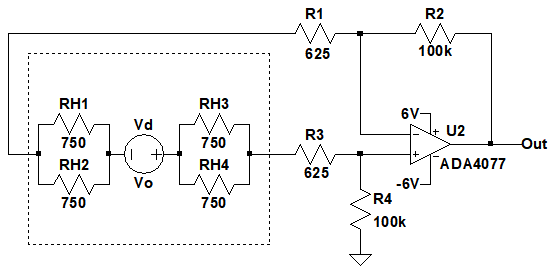
図6は,ホール素子の出力を差動増幅回路で増幅する回路で,図1と同じものです.ホール素子の内部は,抵抗と信号源を使用した等価回路となっています.VpとVmは差動出力とするための信号源で,それぞれホール素子の出力電圧の1/2の電圧を出力します.ホール素子は,±3Vの電源に接続されているため,駆動電圧は6Vとなり,出力の直流電圧は0Vとなります.

VpとVmは差動出力とするための信号源.
図7は,図6の回路のゲインを計算しやすくするため,ホール素子内部の等価回路を差動信号に着目して書き換えたものです.

ホール素子内部の等価回路を差動信号に着目して書き換えたもの.
ここで,R1=R3,R2=R4,RH1=RH2=RH3=RH4=Rとすると,この回路のゲイン(G)は式1で表すことができます.
・・・・・・・・・・・・・・・・・・・・・・・・・・・・・・・・・・(1)
●電流検出回路の出力電圧を計算する
図1と図2の電流検出回路の出力電圧を計算してみます.まず,被測定ケーブルに流れる電流(IL)とホール素子に加わる磁束密度(B)の関係は,問題文から「B=IL*0.77m[T]」となっています.
使用しているホール素子は,6Vで駆動したとき,磁束密度50mT(ミリ・テスラ)のときに,65mVの出力が得られるため,磁束密度1Tあたりの出力電圧感度(VS)は,式2で表されます.
・・・・・・・・・・・・・・・・・・・・・・・・・・・・・・・・・(2)
Out端子の出力電圧(VOut)は,磁束密度(B)と感度(VS)と差動増幅回路のゲイン(G)を掛けたものなので,式3で表されます.
・・・・・・・・・・(3)
式3から分かるように,図1と図2の電流検出回路は,1Aあたり0.1Vの電圧を出力します.そのため,ILが10Aのときの出力電圧は1Vとなります.
●電流検出回路を検証する
図8は,図1と図2の差動増幅回路とホール素子を使用した電流検出回路をシミュレーションするための回路です.「.param」コマンドで変数BをIL*0.77mと設定し,信号源の値(VO)はB*(65m/50m)/2と設定しています.そして,ケーブル電流(IL)を-50Aから50Aまで1Aステップで変化させるシミュレーションを行います.

ケーブル電流(IL)を-50Aから50Aまで1Aステップで変化させる.
図9は,図8のシミュレーション結果です.ILが-50Aから+50Aに変化すると,出力電圧は-5Vから+5Vまで変化していることが分かります.

ILが-50Aから+50Aに変化すると,出力電圧は-5Vから+5Vまで変化している.
以上,ホール素子と差動増幅回路を使用した電流検出回路について解説しました.なお,今回紹介した回路で精度よく電流を検出するためには,ホール素子のオフセット電圧と温度特性の補正が別途必要になります.
◆参考・引用*文献
(1) ADA4077データシート:アナログデバイセズ
(2) HG0811データシート:旭化成エレクトロニクス
(3) ホール素子の原理と種類: 旭化成エレクトロニクス
解説に使用しました,LTspiceの回路をダウンロードできます.
LTspice12_013.zip
●データ・ファイル内容
Hall_Damp.asc:図7の回路
Hall_Damp.plt:図8のグラフを描画するためのPlot settingsファイル
■LTspice関連リンク先
● LTspice ダウンロード先
● LTspice Users Club
● LTspice メール・マガジン全アーカイブs
◆ Season01 LTspice電子回路マラソン・アーカイブs
◆ Season02 LTspiceアナログ電子回路入門アーカイブs
◆ Season03 LTspice電源&アナログ回路入門アーカイブs
◆ Season04 IoT時代のLTspiceアナログ回路入門アーカイブs
◆ Season05 オームの法則から学ぶLTspiceアナログ回路入門アーカイブs
◆ Season06 LTspiceエデュケーショナル・ファイルで学ぶアナログ回路アーカイブs
◆ Season07 LTspiceドット・コマンドから学ぶアナログ回路アーカイブs
◆ Season08 LTspiceで始める実用電子回路入門アーカイブs
◆ Season09 LTspiceで学ぶオーディオ回路入門アーカイブs
◆ Season10 LTspiceとデータシートで学ぶ実践アナログ回路入門アーカイブs
◆ Season11 LTspiceとデータシートで学ぶ実践アナログ回路アーカイブs









