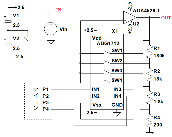
マイコンでゲインをコントロールできる非反転増幅回路
図1は,マイコンとアナログ・スイッチIC(ADG1712)(1)でゲインをコントロールできる,OPアンプ(ADA4528)(2)を使用した非反転増幅回路です.
マイコンのIOポート(P1~P4)で,アナログ・スイッチICのスイッチ(SW1~SW4)のON/OFFをコントロールします.
図1の回路で,SW3のみがONしている状態のとき,IN端子からOUT端子までのゲインは(a)~(d)のどれになるでしょうか.

SW3のみがONしている状態のときの,IN端子からOUT端子までのゲインは?
(a) 20dB (b) 30dB (c) 40dB (d) 50dB

図1の回路は,小さな信号から大きな信号まで,それぞれに最適なゲインに変更して,信号レベルを計測する場合に使用されます.
非反転増幅回路は,帰還抵抗の分圧比でゲインが決まります.SW3のみがONしている状態の分圧比がいくつになるかを考えれば,答えは簡単に分かります.
図1の回路で,SW3のみがONしているときは,R1とR2の直列抵抗値と,R3とR4の直列抵抗値で出力電圧が分圧されます.その分圧した電圧が,OPアンプの反転入力端子に帰還されます.
そのときの非反転増幅回路のゲイン(G)は,次式となり,ゲインが40dBとなります.
G=(R1+R2+R3+R4)/(R3+R4)=(180k+18k+1.8k+200)/(1.8k+200)=100
●非反転増幅回路のゲインを変更する方法
図2は,OPアンプを使用した非反転増幅回路です.

非反転増幅回路のゲインを変えるには,R1とR2の分圧比を変えればよい.
この回路で,NF端子の電圧(VNF)は,OUT端子の電圧(VOUT)をR1とR2で分圧したもので,式1で表されます.
・・・・・・・・・・・・・・・・・・・・・・・・・・・(1)そして,この非反転増幅回路のゲイン(G)は,式1の分圧比の逆数をとったもので,式2になります.
・・・・・・・・・・・・・・・・・・・・・・・・・・・・・・・・(2)そのため,非反転増幅回路のゲインを変えるには,R1とR2の分圧比を変えればよいことになります.
●非反転増幅回路のゲインをスイッチで切り替える方法
非反転増幅回路のゲインを,スイッチを使用して切り換える回路としては,次の3種類の方法が考えられます.
▼①出力端子と反転入力端子間の抵抗値を切り替える方法
図3のように,出力端子と反転入力端子間の抵抗値をスイッチで切り替えることで,ゲインを変更ができます.

▼②反転入力端子とGND間の抵抗値を切り替える方法
図4のように,反転入力端子とGND間の抵抗値をスイッチで切り替えることでゲインを切り替えることができます.この回路では,全てのスイッチをOFFにすることで,ゲインを1(0dB)にできます.また,抵抗とGND間にスイッチがあるため,スイッチ素子としては,単体のMOSFETのようなものを使用できます.

全てのスイッチをOFFにすることで,ゲインを1(0dB)にできる.
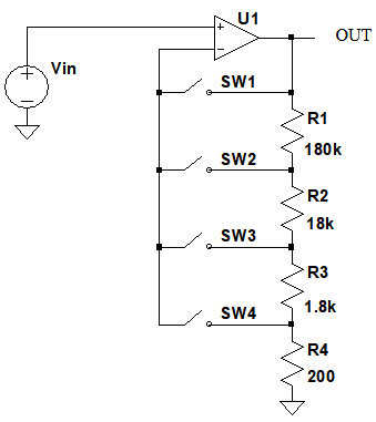
▼③分圧比を切り替える方法
これは図1の回路で使用している方法です.図5のように,出力端子とGND間の抵抗の分圧比を切り換えることで,ゲインを切り替えることができます.

スイッチ素子のオン抵抗はゲインに影響しない.
①,②の回路では,抵抗とスイッチが直列接続されるため,スイッチ素子のオン抵抗が誤差要因となり,精密なゲイン設定が難しい場合があります.
図5の回路では,スイッチは分圧した電圧を反転入力端子に伝えるだけなので,スイッチ素子のオン抵抗はゲインに影響しません.この回路で,SW1~SW4のそれぞれのスイッチがONしているときのゲイン(GSWx)は,次の式3~式6で表されます.
SW1は式3で表されます.
・・・・・・・・・・・・・・・・・・・・・・・・・・・・・・・・・・(3)SW2は式4で表されます.
・・・・・・・・・(4)SW3は式5で表されます.
・・・・・・・・(5)SW4は式6で表されます.
・・・・・・・(6)
●アナログ・スイッチICのサブサーキット・モデルを作る
図1の回路では,4つのスイッチが内蔵されたアナログ・スイッチIC(ADG1712)を使用しています.しかし,LTspiceのライブラリにあるADG1712のモデルはスイッチが1つだけのものです.そこで,そのADG1712を4個使用し,回路を階層化(ブロック化)したサブサーキット・モデルを作ります.
サブサーキット・モデルを作るには,まず,サブサーキットの回路図を作り,その回路図からシンボルを自動に生成します.ですので,シンボル名はサブサーキットの回路図と同じファイル名になります.
図6は,ADG1712を4個配置したサブサーキットの回路図(ADG1712_4.asc)です.作成するシンボルのピンとして使用したいノードに,「S1,IN1,Vss,G,D1,Vddなど」のNet Nameを付け,各ポートごとのPort Typeを設定します.Port Typeに関しては,図6に設定していますので参照してください.

このサブサーキットの回路図から,4つのスイッチが内蔵されたADG1712のシンボル(ADG1712_4.asy)が自動に生成される
次に,図6の回路を開いた状態で,メニュー・バー[Hierarchy]から[Open or Generate this Sheet's Symbol]を選択すると,自動的に図7(a)のようなシンボルが作られます.このままでもシミュレーションはできますが,回路図が分かりやすくなるように,ピン配置の変更や,図形を追加し,図7(b)のようなシンボル(ADG1712_4.asy)に変更して上書き保存します.

自動生成されたシンボル(a)を編集し(b)のようなシンボルを作る.
●アナログ・スイッチでゲイン変更できる非反転増幅回路を確認する
図8は,アナログ・スイッチでゲイン変更できる,非反転増幅回路をシミュレーションするための回路です.使用しているOPアンプは,オフセット電圧が2.5μV以下と非常に小さいゼロ・ドリフトOPアンプのADA4528です.
電圧源VC1~VC4で,アナログ・スイッチICのADG1712をコントロールします.「.step」コマンドと「table」コマンドを組み合わせ,SW1~SW4を1つずつONさせたときのゲインをシミュレーションします.

「.step」コマンドと「table」コマンドを組み合わせ,SW1~SW4を1つずつONさせる.
図9は,図8のシミュレーション結果です.SW1~SW4が1つずつONしているときのゲインは,それぞれ0dB,20dB,40dB,60dBとなって,式3~式6の計算結果と一致しています.

SW1~SW4が1つずつONしているときのゲインは,それぞれ0dB,20dB,40dB,60dBとなっている.
以上,アナログ・スイッチでゲイン変更できる,非反転増幅回路について解説しました.図1の回路は,SW1~SW4が全てOFFになると,OPアンプが正常に動作しなくなる点に注意が必要です.
◆参考・引用*文献
(1)ADG1712データシート:アナログデバイセズ
(2)ADA4528データシート:アナログデバイセズ
解説に使用しました,LTspiceの回路をダウンロードできます.
LTspice12_003.zip
●データ・ファイル内容
ADG1712_4.asc:図6の回路
ADG1712_4.asy:図6回路から作成したシンボルファイル(図7)
PGAmp.asc:図8の回路
PGAmp.plt:図9のグラフを描画するためのPlot settingsファイル
■LTspice関連リンク先
● LTspice ダウンロード先
● LTspice Users Club
● LTspice メール・マガジン全アーカイブs
◆ Season01 LTspice電子回路マラソン・アーカイブs
◆ Season02 LTspiceアナログ電子回路入門アーカイブs
◆ Season03 LTspice電源&アナログ回路入門アーカイブs
◆ Season04 IoT時代のLTspiceアナログ回路入門アーカイブs
◆ Season05 オームの法則から学ぶLTspiceアナログ回路入門アーカイブs
◆ Season06 LTspiceエデュケーショナル・ファイルで学ぶアナログ回路アーカイブs
◆ Season07 LTspiceドット・コマンドから学ぶアナログ回路アーカイブs
◆ Season08 LTspiceで始める実用電子回路入門アーカイブs
◆ Season09 LTspiceで学ぶオーディオ回路入門アーカイブs
◆ Season10 LTspiceとデータシートで学ぶ実践アナログ回路入門アーカイブs
◆ Season11 LTspiceとデータシートで学ぶ実践アナログ回路アーカイブs









